Aprašymas
ALPHA1 – tai skysčių cirkuliavimui šildymo ir oro kondicionavimo sistemose skirtas labai efektyvus cirkuliacinis siurblys su elektroniniu būdu komutuojamu varikliu.
ALPHA1 siurblys valdomas išmaniai ir turi tris valdymo režimus: pastovaus slėgio, proporcinio slėgio ir pastovios kreivės. Kiekvienas režimas turi tris pasirenkamus apsukų nustatymus.
Be įrankių prijungiamas kištukas leidžia greitai ir lengvai prijungti elektros maitinimą.
Automatinis oro išleidimas ir apsauga nuo sausosios eigos užtikrina tylų siurblio darbą ir patikimumą.
Siurblys turi patikimo pasileidimo funkciją, kuri sumažina pavojų, kad siurblys užstrigs dėl nešvarumų, magnetito ir susikaupusių kalkių. Mažai tikėtinu siurblio užstrigimo atveju variklis kelis kartus bando pasileisti su didžiausiu įmanomu sukimo momentu, kad siurblys pasileistų esant ir sudėtingoms salygoms sąlygomis.
Keraminis velenas ir guoliai labai mažai dyla, todėl jų tarnavimo laikas yra ilgesnis. Taip pat sumažėja tikimybė, kad dėl sudilimo padidėjus guolių tarpeliams guoliai pradės skleisti triukšmą.
Siurblio valdymo skydelyje rodomi klaidų simboliai labai palengvina siurblio sutrikimų diagnostiką.
SPECIFIKACIJOS
| Skystis: | ||
| Siurbiamas skystis: | Vanduo | |
| Skysčio temperatūros diapazonas: | -10 .. 110 °C | |
| Skysčio temperatūra eksploatavimo metu: | 60 °C | |
| Tankis: | 983.2 kg/m³ | |
| Techniniai duomenys: | ||
| Nominalus debitas: | 2.28 m³/h | |
| Nominalus slėgio aukštis: | 3.06 m | |
| Pump head orientation: | 9H | |
| TF klasė: | 110 | |
| Sertifikatai: | CE,VDE | |
| Medžiagos: | ||
| Siurblio korpusas: | Ketus | |
| EN 1561 EN-GJL-150 | ||
| ASTM A48-150B | ||
| Darbaratis: | Kompozitas |
| PES+30% GF | ||
| Įrengimas: | ||
| Aplinkos temperatūros intervalas: | 0 .. 55 °C | |
| Maksimalus darbinis slėgis: | 10 bar | |
| Jungties tipas: | G | |
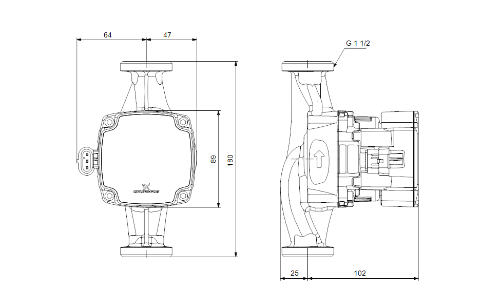
| Jungties dydis: | 1 1/2 inch | |
| Vamzdžio jungties slėgio klasė: | PN 10 | |
| Port-to-port length: | 180 mm | |
| Elektrotechniniai duomenys: | ||
| Minimali naudojama galia – P1: | 4 W | |
| Power input P1: | 45 W | |
| Elektros tinklo dažnis: | 50 / 60 Hz | |
| Nominali įtampa: | 1 x 220-240 V | |
| Minimum current consumption: | 0.06 A | |
| Didžiausias srovės suvartojimas: | 0.45 A | |
| Korpuso klasė (IEC 34-5): | IP44 | |
| Izoliacijos klasė (IEC 85): | F | |
| Thermal protection: | Electronic | |
| Kita: | ||
| Energy (EEI): | 0.20 | |
| Neto masė: | 1.97 kg | |
| Bruto masė: | 2.17 kg | |
| Tiekimo tūris: | 0.004 m³ |
Gamintojas: Grundfos














