Aprašymas
Didelio efektyvumo cirkuliaciniai siurbliai, skirti cirkuliuoti skystį šildymo sistemose. Šių siurblių energijos vartojimo efektyvumo koeficientas (EVEK) siekia ErP direktyvoje efektyviausiems siurbliams nustatytą vertę, todėl jie padeda taupyti energiją. Idealus pasirinkimas, kai reikalingas tik bazinis funkcionalumas.
Savybės
|
Siurblys turi tris valdymo režimus, kiekvienas iš jų turi tris nustatymus
|
Displėjus rodo einamuoju metu siurblio naudojamą galią vatais. LED indikatoriai nurodo siurblio būseną.
Siurblys turi keraminį veleną ir radialinius guolius, anglinį atraminį guolį, nerūdijančiojo plieno rotoriaus kamerą, guolio plokštelę ir rotoriaus dangą ir kompozitinį darbaratį – visa tai užtikrina ilgą siurblio tarnavimo laiką. Siurblys pats nusiorina per sistemą, todėl pirmas siurblio paleidimas yra labai paprastas. Kompaktiška siurblio konstrukcija (siurblio galva su integruota valdymo dėžute ir valdymo skydeliu) leidžia jį sumontuoti daugumoje sistemų.
Siurblio korpusas yra pagamintas iš ketaus, padengto atsparumą korozijai pagerinančia elektroforezne danga.
Siurblio variklis yra sinchroninis nuolatinio magneto / kompaktiško statoriaus didelio efektyvumo. Siurblio apsukas valdo valdymo dėžutėje integruotas dažnio keitiklis.
SPECIFIKACIJOS
| Skystis: | ||
| Siurbiamas skystis: | Vanduo | |
| Skysčio temperatūros diapazonas: | 2 .. 110 °C | |
| Skysčio temperatūra eksploatavimo metu: | 60 °C | |
| Tankis: | 983.2 kg/m³ | |
| Techniniai duomenys: | ||
| Nominalus debitas: | 2.14 m³/h | |
| Nominalus slėgio aukštis: | 4.76 m | |
| Pump head orientation: | 6H | |
| TF klasė: | 110 | |
| Sertifikatai: | CE,VDE |
| Medžiagos: | ||
| Siurblio korpusas: | Ketus | |
| EN 1561 EN-GJL-150 | ||
| ASTM A48M-150B | ||
| Darbaratis: | Kompozitas | |
| PES 30% GF + PESU-GF20% | ||
| Įrengimas: | ||
| Aplinkos temperatūros intervalas: | 0 .. 40 °C | |
| Maksimalus darbinis slėgis: | 10 bar | |
| Jungties tipas: | G | |
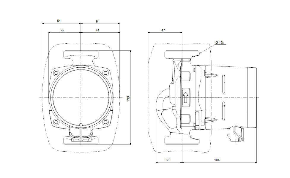
| Jungties dydis: | 1 1/2 inch | |
| Vamzdžio jungties slėgio klasė: | PN 10 | |
| Montažinis ilgis: | 130 mm | |
| Elektrotechniniai duomenys: | ||
| Minimali naudojama galia – P1: | 3 W | |
| Power input P1: | 50 W | |
| Elektros tinklo dažnis: | 50 / 60 Hz | |
| Nominali įtampa: | 1 x 230 V | |
| Maksimali vartojama srovė: | 0.04 .. 0.44 A | |
| Korpuso klasė (IEC 34-5): | X4D | |
| Izoliacijos klasė (IEC 85): | F | |
| Kita: | ||
| Energy (EEI): | 0.20 | |
| Neto masė: | 1.89 kg | |
| Bruto masė: | 2.04 kg | |
| Tiekimo tūris: | 0.004 m³ |
Gamintojas: Grundfos
ALPHA1 25-40 130 1X230V SIURBLYS












