Aprašymas
Kompaktiškas, patikimas, horizontalus, daugiapakopis, galinio siurbimo išcentrinis siurblys su ašiniu įvadu ir radialiniu išvadu. Velenas, darbaračiai ir kameros yra pagaminti iš nerūdijančio plieno. Įvado ir išvado dalys yra pagamintos iš ketaus. Mechaninis veleno sandariklis yra specialios konstrukcijos nesubalansuotas O žiedo sandariklis. Vamzdynas prijungiamas vidiniais „Whitworth“ vamzdžių sriegiais, Rp (ISO 7/1). Siurblys turi 1 fazių ant kojos sumontuotą, ventiliatoriumi aušinamą, asinchroninį variklį.
Tinkamas
- Šildymas komerciniuose pastatuose
- Oro kondicionavimas komerciniuose pastatuose
- Slėgio kėlimas komerciniuose pastatuose
SPECIFIKACIJOS
| Valdikliai: | ||
| Kontaktų dėžutės padėtis: | 12 val. | |
| Frequency converter: | None | |
| Skystis: | ||
| Siurbiamas skystis: | Vanduo | |
| Skysčio temperatūros diapazonas: | -20 .. 90 °C | |
| Skysčio temperatūra eksploatavimo metu: | 20 °C | |
| Tankis: | 998.2 kg/m³ | |
| Techniniai duomenys: | ||
| Siurblio greitis, kuriuo grindžiami siurblio duomenys: | 2900 rpm | |
| Rated flow: | 3.1 m³/h | |
| Rated head: | 13.55 m | |
| Pirminis veleno sandariklis: | AQQE | |
| Veleno sandariklio kodas: | AQQE | |
| Sertifikatai: | CE,EAC,UKCA | |
| Tinkamumo geriamajam vandeniui sertifikatai: | WRAS,ACS,NSF61 | |
| Kreivės tikslumas: | ISO9906:2012 3B | |
| Medžiagos: | ||
| Tipo žymėjimo paaiškinimas, medžiagų kodas: | A | |
| Tipo žymėjimo paaiškinimas, guminių medžiagų kodas. E = EPDM, V=FKM: | E | |
| Siurblio korpusas: | Ketus | |
| EN-GJL-200 | ||
| ASTM A48-25A | ||
| Darbaratis: | Nerūdijantysis plienas |
| EN 1.4301 | ||
| AISI 304 | ||
| Įrengimas: | ||
| Aplinkos temperatūros intervalas: | -20 .. 55 °C | |
| Maksimalus darbinis slėgis: | 10 bar | |
| Maks. slėgis esant nurodytai temp.: | 10 bar / 90 °C | |
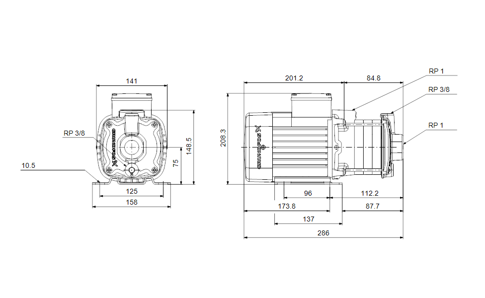
| Jungties tipas: | Rp | |
| Įvado jungties dydis: | 1 inch | |
| Išvado jungties dydis: | 1 inch | |
| Kontaktų dėžutės padėtis: | 12 val. | |
| Išvado padėtis: | 12 | |
| Elektrotechniniai duomenys: | ||
| Variklio standartas: | IEC | |
| Rėmo dydis: | 71A | |
| IE efektyvumo klasė: | IE2 | |
| Nominali galia – P2: | 0.3 kW | |
| Elektros tinklo dažnis: | 50 Hz | |
| Tinka 50/60 Hz dažniui: | N | |
| Nominali įtampa: | 1 x 220-230 V | |
| Perkrovos koeficientas: | 1.00 | |
| Rated current: | 2.10-2.05 A | |
| Paleidimo srovė: | 390-430 % | |
| Nominalios apsukos: | 2800-2820 rpm | |
| Korpuso klasė (IEC 34-5): | IP55 | |
| Izoliacijos klasė (IEC 85): | F | |
| Ex apsaugos standartas: | PTO | |
| Cable included (Yes/No): | N | |
| Kita: | ||
| Minimalaus efektyvumo koeficientas, MEI ≥: | 0.7 | |
| Neto masė: | 11 kg | |
| Bruto masė: | 13.5 kg |
Gamintojas: Grundfos










