Aprašymas
Nesavisiurbis, vienpakopis, išcentrinis siurblys skirtas siurbti nuotekas, technologinį vandenį ir nevalytą kanalizacijos vandenį. Siurblys gali dirbti su pertraukomis arba nuolat. Aušinimo gaubtas leidžia siurblį eksploatuoti panardintą arba įrengtą sausai be variklio aušinimo. Revoliucinis „S-tube®“ darbaratis laisvai praleidžia iki 85 mm skersmens sferinius objektus ir tinka nuotekoms, kuriose gali būti iki 3 % sausų medžiagų. „SmartTrim“ darbaračio tarpelio reguliavimo sistema leidžia palaikyti maksimalų našumą. Įrengiant ant automatinės movos, „Grundfos“ „SmartSeal“ tarpiklio sistema užtikrina sandarų sujungimą. Siurblys turi labai efektyvų „Grundfos“ variklį su IE3 variklio komponentais.
Tinkamas
- Nuotekos komerciniuose pastatuose
- Pramoninių nuotekų valymas ir pakartotinis išvalyto vandens naudojimas
- Nuotekų transportavimas
SPECIFIKACIJOS
| Valdikliai: | ||
| Drėgmės jutiklis: | su drėgmės jutikliu | |
| Skystis: | ||
| Skysčio temperatūros diapazonas: | 10 .. 40 °C | |
| Skysčio temperatūra eksploatavimo metu: | 20 °C | |
| Tankis: | 998.2 kg/m³ | |
| Techniniai duomenys: | ||
| Maks. debitas: | 83.1 l/s | |
| Darbaračio tipas: | S-TUBE | |
| Maks. dalelių dydis: | 85 mm | |
| Sertifikatai: | CE,EAC,RCM | |
| Kreivės tikslumas: | ISO9906:2012 3B | |
| Cooling jacket (Yes/No): | Y | |
| Kėlimo aukščio klasė: | H | |
| Medžiagos: | ||
| Siurblio korpusas: | Ketus | |
| EN 1561 EN-GJL-250 | ||
| Darbaratis: | Ketus | |
| EN 1561 EN-GJL-250 | ||
| ASTM A48-35B | ||
| Motor: | Cast iron | |
| EN 1561 EN-GJL-250 | ||
| Veleno sandariklis: | SIC | |
| Secondary shaft seal: | SIC/CARBON | |
| Įrengimas: | ||
| Aplinkos temperatūros intervalas: | -20 .. 40 °C | |
| Maksimalus darbinis slėgis: | 8 bar | |
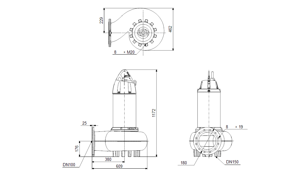
| Standartinis flanšas: | DIN | |
| Įvado jungties dydis: | DN 150 | |
| Išvado jungties dydis: | DN 100 | |
| Slėgis: | PN 10 |
| Maksimalus panardinimo gylis: | 20 m | |
| Automatinė jungiamoji mova: | 96102241 | |
| Horizontalus įrengimas: | 99867050 | |
| Atraminis stovas: | 92593750 | |
| Rėmo dydis: | 52 | |
| Elektrotechniniai duomenys: | ||
| Naudojama galia P1: | 14.8 kW | |
| Nominali galia – P2: | 13 kW | |
| Elektros tinklo dažnis: | 50 Hz | |
| Nominali įtampa: | 3 x 380-415/660-690 V | |
| Leistini įtampos svyravimai: | +10/-10 % | |
| Maks. paleidimų skaičius per valandą: | 20 | |
| Nominali srovė: | 28-25/16-15 A | |
| Maksimali vartojama srovė: | 26 A | |
| Paleidimo srovė: | 228 A | |
| Nominali srovė be apkrovos: | 12.6 A | |
| Nominalios pavaros apsukos: | 1483 rpm | |
| Variklio našumas esant pilnai apkrovai: | 88 % | |
| Variklio naudingumo koeficientas esant 3/4 apkrovos: | 88 % | |
| Variklio naudingumo koeficientas esant 1/2 apkrovos: | 87 % | |
| Polių skaičius: | 4 | |
| Paleidimo būdas: | Y/D | |
| Korpuso klasė (IEC 34-5): | IP68 | |
| Izoliacijos klasė (IEC 85): | H | |
| Skirtas sprogiai aplinkai: | ne | |
| Kabelio tipas: | S1BN8-F | |
| Maitinimo kabelio ilgis: | 10 m | |
| Apvijos varža: | 0.499 Ohm | |
| Cos phi 1/1: | 0.83 | |
| Cos phi 1/2: | 0.66 | |
| Cos phi 3/4: | 0.77 | |
| Kita: | ||
| Neto masė: | 338 kg | |
| Bruto masė: | 366 kg | |
| Tiekimo tūris: | 1.04 m³ |
Gamintojas: Grundfos
BP4 G HP1.5 V230 SIURBLYS
AP97-A HP1.5 V230/400/50 SIURBLYS












