Aprašymas
Compatta PRO serija idealiai tinka buitinių nuotekų siurbimui. Pasižymi kompaktišku dydžiu, patikimumu ir geromis mechaninėmis savybėmis. Siurbliai gali būti naudojami potencialiai sprogiose aplinkose – atitinkami sertifikatai pateikiami.
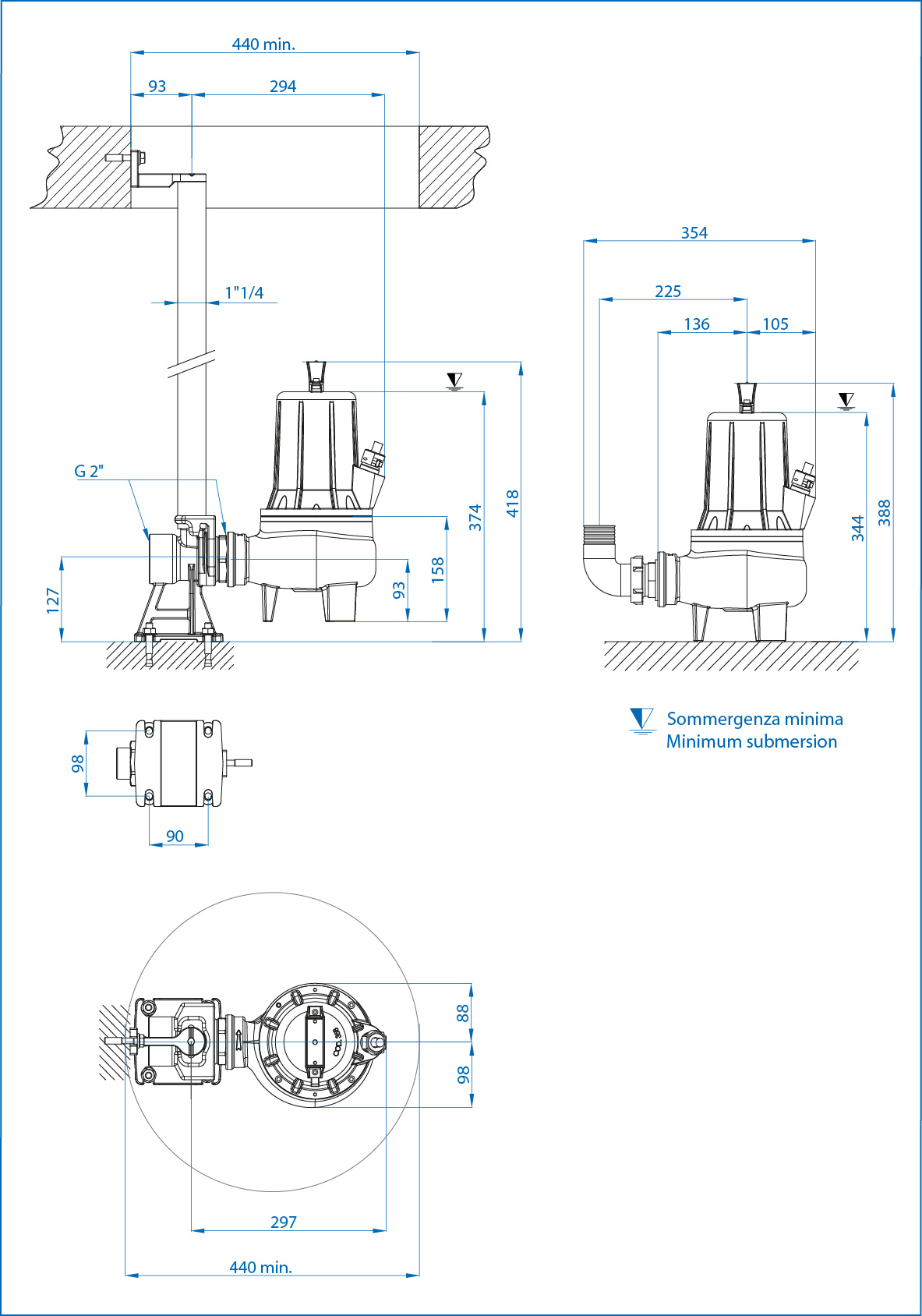
Aprašymas
Aukštos kokybės panardinamasis siurblys, skirtas nuotekoms su kietosiomis dalelėmis pumpuoti. Patikimos konstrukcijos, su sandaria elektrine dalimi ir apsauga nuo dulkių bei drėgmės (IP68). Tinkamas naudoti buitinėse, komunalinėse ir pramoninėse sistemose.
Hidrauliniai parametrai
-
Darbaratis: uždaro tipo, iš ketaus
-
Slėgio jungtis: G 2″
-
Įvado skersmuo: DN 50 mm
-
Laisvas praėjimas: 50 mm
-
Darbaračio skersmuo: Ø 96 mm
-
Nominalus našumas: 14,40 m³/h
-
Nominalus kėlimo aukštis: 4,99 m
-
Našumo klasė pagal ISO 9906:2012 – 3B2
-
Bendras efektyvumas: 22,73 %
Elektros duomenys
-
Variklio kodas: 3520160420
-
Galia P1: 0,90 kW
-
Naudingoji galia P2: 0,60 kW
-
Fazės: 3
-
Dažnis: 50 Hz
-
Įtampa: 400 V
-
Nominali srovė: 2,1 A
-
Paleidimo srovė: 518 %
-
Galios faktorius: 0,69
-
Apsisukimai: 2850 aps./min
-
Paleidimas: tiesioginis (D.O.L.)
-
Izoliacijos klasė: F (155 °C)
-
Darbo režimas: S2
-
Maksimalus variklio efektyvumas: 79,7 %
-
Efektyvumas esant pilnai apkrovai: 79,0 %
-
Efektyvumas esant ¾ apkrovai: 78,6 %
-
Efektyvumas esant ½ apkrovai: 78,7 %
Konstrukcinės savybės
-
Viršutinis sandariklis: riebokšlinis
-
Apatinis sandariklis: silicio karbidas / keramika / Vitonas
-
Guoliai: vienaeiliai rutuliniai (viršuje ir apačioje)
-
Variklio apsauga: yra
-
IP apsaugos klasė: IP68
-
Drėgmės jutiklis: nėra
-
ATEX sertifikatas: II 2G Ex db IIB T4 Gb – Ex h IIB T4 Gb (0 °C ≤ Ta ≤ +40 °C)
-
Dažymas: dviejų komponentų vandens pagrindo danga
-
Kabelio ilgis: 10 m
Montavimas ir eksploatacija
-
Maksimalus panardinimo gylis: 20 m
-
Aušinimas: užtikrinamas aplinkiniu skysčiu
-
Plūduriuojantis jungiklis: nenumatytas
Naudojamos medžiagos
-
Siurblio korpusas: ketus EN 1561 EN-GJL-200
-
Darbaratis: ketus EN 1561 EN-GJL-200
-
Variklio velenas: nerūdijantis plienas AISI 420
-
Varžtai: nerūdijantis plienas A2-70
-
Kabelis: H07RN8F
-
Aušinimo apvalkalas: nenumatytas
Pumpuojamas skystis
-
Skysčio tipas: nuotekos su kietosiomis dalelėmis
-
Tankis: 1,1 kg/dm³
-
Leistinas pH intervalas: –
-
Darbinė temperatūra: nuo 0 °C iki +40 °C
Gamintojas: Dreno












