Aprašymas
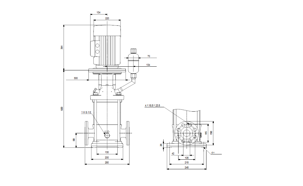
Vertikalus, daugiapakopis, išcentrinis siurblys su įvadu ir išvadu tame pačiame lygyje (linijinis). Siurblio dalys, esančios sąlytyje su skysčiu, yra iš aukštos klasės nerūdijančio plieno. Kasetinis veleno sandariklis užtikrina didelį patikimumą, saugų naudojimą, paprastą priėjimą ir remontą. Sukimo momentas perduodamas per perskiriamą movą. Vamzdžiai prijungiami universaliais DIN-ANSI-JIS flanšais. Siurblys turi 3 fazių ant kojos sumontuotą, ventiliatoriumi aušinamą, asinchroninį variklį.
SPECIFIKACIJOS
| Skystis: | ||
| Siurbiamas skystis: | Vanduo | |
| Skysčio temperatūros diapazonas: | -20 .. 150 °C | |
| Skysčio temperatūra eksploatavimo metu: | 20 °C | |
| Tankis: | 998.2 kg/m³ | |
| Techniniai duomenys: | ||
| Siurblio apsukos, kurioms pateikti siurblio duomenys: | 2919 rpm | |
| Nominalus debitas: | 10 m³/h | |
| Nominalus slėgio aukštis: | 129.4 m | |
| Siurblio orientacija: | Vertikalus | |
| Veleno sandariklio konfigūracija: | Pavienis | |
| Pirminis veleno sandariklis: | HQQE | |
| Veleno sandariklio kodas: | HQQE | |
| Sertifikatai: | CE,EAC,UKCA,SEPRO | |
| Kreivės tikslumas: | ISO9906:2012 3B | |
| Medžiagos: | ||
| Pagrindas: | Nerūdijantysis plienas | |
| EN 1.4408 | ||
| AISI 316 | ||
| Darbaratis: | Nerūdijantysis plienas | |
| EN 1.4401 | ||
| AISI 316 | ||
| Įrengimas: | ||
| Maksimali aplinkos temperatūra: | 60 °C | |
| Maksimalus darbinis slėgis: | 25 bar | |
| Maks. slėgis esant nurodytai temp.: | 25 bar / 150 °C | |
| 25 bar / -20 °C | ||
| Jungties tipas: | DIN / ANSI / JIS | |
| Įvado jungties dydis: | DN 40 |
| 1 1/2 inch | ||
| Išvado jungties dydis: | DN 40 | |
| 1 1/2 inch | ||
| Vamzdžio jungties slėgio klasė: | PN 25 | |
| Įvado flanšo klasė: | 300 lb | |
| Variklio flanšo dydis: | FF265 | |
| Elektrotechniniai duomenys: | ||
| Variklio standartas: | IEC | |
| Variklio tipas: | 132SC | |
| Nominali galia – P2: | 5.5 kW | |
| Siurbliui reikalinga galia (P2): | 5.5 kW | |
| Elektros tinklo dažnis: | 50 Hz | |
| Nominali įtampa: | 3 x 380-415D V | |
| Nominali srovė: | 11 A | |
| Paleidimo srovė: | 1080-1180 % | |
| Cos fi – galios koeficientas: | 0.87-0.82 | |
| Nominalios apsukos: | 2920-2940 rpm | |
| IE efektyvumo klasė: | IE3 | |
| Variklio našumas esant pilnai apkrovai: | 89.2 % | |
| Variklio naudingumo koeficientas esant 3/4 apkrovos: | 90.0-89.8 % | |
| Variklio naudingumo koeficientas esant 1/2 apkrovos: | 89.6-88.4 % | |
| Polių skaičius: | 2 | |
| Korpuso klasė (IEC 34-5): | 55 Dust/Jetting | |
| Izoliacijos klasė (IEC 85): | F | |
| Variklio Nr.: | 85U17417 | |
| Valdikliai: | ||
| Frequency converter: | None | |
| Slėgio jutiklis: | N | |
| Kita: | ||
| Minimalaus efektyvumo koeficientas, MEI ≥: | 0.70 | |
| Neto masė: | 104 kg | |
| Bruto masė: | 132 kg | |
| Tiekimo tūris: | 0.488 m³ |
Gamintojas: Grundfos
ALPHA1 32-40 180 1X230V SIURBLYS












