Aprašymas
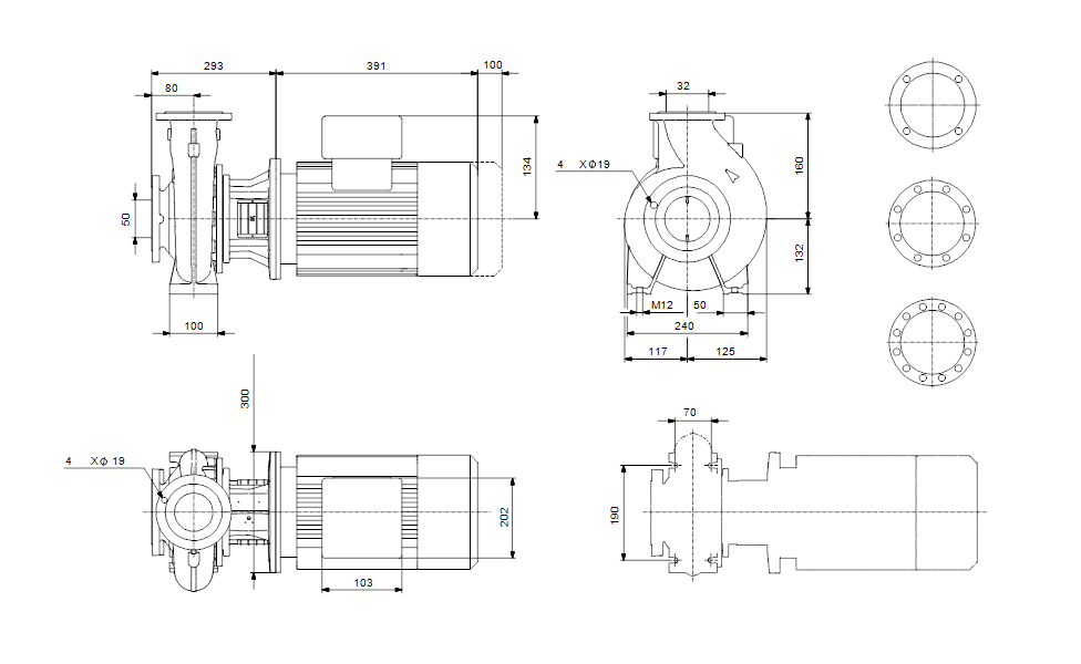
Nesavisiurbis, vienpakopis išcentrinis spiralinis siurblys, kurio konstrukcija atitinka ISO 5199 reikalavimus, o matmenys ir nominalus našumas – EN 733 (10 bar) reikalavimus. Flanšai yra PN 16, o jų matmenys atitinka EN 1092-2. Siurblys turi ašinį įvadą, radialinį išvadą, horizontalų veleną ir yra iš galo numaunamos konstrukcijos, kuri leidžia išmontuoti variklį, variklio atramą, gaubtą ir darbaratį nejudinant siurblio korpuso ir vamzdyno. Nesubalansuotas guminis dumplinis sandariklis atitinka DIN EN 12756 reikalavimus. Siurblys yra viename bloke su ventiliatoriumi aušinamu asinchroniniu varikliu.
Tinkamas
SPECIFIKACIJOS
| Valdikliai: | ||
| Frequency converter: | None | |
| Slėgio jutiklis: | N | |
| Skystis: | ||
| Siurbiamas skystis: | Vanduo | |
| Skysčio temperatūros diapazonas: | -25 .. 120 °C | |
| Skysčio temperatūra eksploatavimo metu: | 20 °C | |
| Tankis: | 998.2 kg/m³ | |
| Techniniai duomenys: | ||
| Siurblio apsukos, kurioms pateikti siurblio duomenys: | 2930 rpm | |
| Nominalus debitas: | 33.34 m³/h | |
| Nominalus slėgio aukštis: | 35.32 m | |
| Faktinis darbaračio skersmuo: | 177 mm | |
| Nominalus darbo rato diametras: | 160 | |
| Veleno sandariklio konfigūracija: | Pavienis | |
| Pirminis veleno sandariklis: | BQQE | |
| Veleno sandariklio kodas: | BQQE | |
| Kreivės tikslumas: | ISO9906:2012 3B2 | |
| Bearing design: | Standard | |
| Medžiagos: | ||
| Siurblio korpusas: | Ketus | |
| EN-GJL-250 | ||
| ASTM class 35 | ||
| Wear ring: | Brass | |
| CuZn34Mn3AI2Fe1-C | ||
| Darbaratis: | Ketus | |
| EN-GJL-200 | ||
| ASTM class 30 | ||
| Internal pump house coating: | CED | |
| Velenas: | Stainless steel | |
| Shaft: | EN 1.4301 | |
| Velenas: | AISI 304 |
| Įrengimas: | ||
| Maksimali aplinkos temperatūra: | 60 °C | |
| Maksimalus darbinis slėgis: | 16 bar | |
| Vamzdžių pajungimo standartas: | EN 1092-2 | |
| Įvado jungties dydis: | DN 50 | |
| Išvado jungties dydis: | DN 32 | |
| Vamzdžio jungties slėgio klasė: | PN 16 | |
| Guolių tepimas: | Grease | |
| Siurblio korpusas su kojomis: | Yes | |
| Taip = Su palaikymo bloku, Ne = Be palaikymo bloko: | N | |
| Elektrotechniniai duomenys: | ||
| Variklio tipas: | 132SC | |
| Nominali galia – P2: | 5.5 kW | |
| Elektros tinklo dažnis: | 50 Hz | |
| Nominali įtampa: | 3 x 380-415D V | |
| Nominali srovė: | 11 A | |
| Paleidimo srovė: | 1080-1180 % | |
| Cos fi – galios koeficientas: | 0.87-0.82 | |
| Nominalios apsukos: | 2920-2940 rpm | |
| IE efektyvumo klasė: | IE3 | |
| Variklio našumas esant pilnai apkrovai: | 89.2 % | |
| Variklio naudingumo koeficientas esant 3/4 apkrovos: | 90.0-89.8 % | |
| Variklio naudingumo koeficientas esant 1/2 apkrovos: | 89.6-88.4 % | |
| Polių skaičius: | 2 | |
| Korpuso klasė (IEC 34-5): | 55 Dust/Jetting | |
| Izoliacijos klasė (IEC 85): | F | |
| Variklio Nr.: | 87322229 | |
| Bearing insulation type N-end: | Steel Bearing | |
| Kita: | ||
| Minimalaus efektyvumo koeficientas, MEI ≥: | 0.59 | |
| Neto masė: | 77 kg | |
| Bruto masė: | 94 kg | |
| Tiekimo tūris: | 0.315 m³ |
Gamintojas: Grundfos











