Aprašymas
Panardintas siurblys gali dirbti su pertraukomis arba nuolat. Vieno kanalo darbaratis gali praleisti iki 80 mm skersmens kietas daleles. „SmartTrim“ darbaračio tarpelio reguliavimo sistema leidžia palaikyti maksimalų našumą per visą siurblio eksploatavimo laiką. Siurblys turi patvarią kėlimo rankeną, kuri palengvina jo transportavimą ir įrengimą vietoje. Įrengiant ant automatinės movos, „Grundfos“ „SmartSeal“ tarpiklio sistema užtikrina sandarų sujungimą. Vamzdžiai prijungiami per DIN flanšus.
Tinkamas
- Nuotekos komerciniuose pastatuose
- Pramoninių nuotekų valymas ir pakartotinis išvalyto vandens naudojimas
- Nuotekų transportavimas
SPECIFIKACIJOS
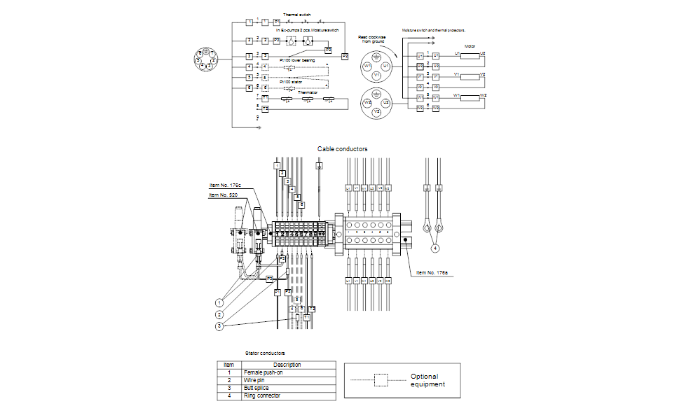
| Valdikliai: | ||
| Drėgmės jutiklis: | su drėgmės jutikliu | |
| Vandens kiekio alyvoje jutiklis: | be vandens alyvoje jutiklio | |
| Skystis: | ||
| Skysčio temperatūros diapazonas: | 0 .. 40 °C | |
| Skysčio temperatūra eksploatavimo metu: | 20 °C | |
| Tankis: | 998.2 kg/m³ | |
| Techniniai duomenys: | ||
| Maks. debitas: | 100 l/s | |
| Faktinis darbaračio skersmuo: | 398 mm | |
| Darbaračio tipas: | 1-CHANNEL | |
| Maks. dalelių dydis: | 80 mm | |
| Kreivės tikslumas: | ISO9906:2012 3B | |
| Cooling jacket (Yes/No): | N | |
| Kėlimo aukščio klasė: | H | |
| Medžiagos: | ||
| Siurblio korpusas: | Ketus | |
| EN 1561 EN-GJL-250 | ||
| ASTM A48-30 | ||
| Darbaratis: | Ketus | |
| EN 1561 EN-GJL-250 | ||
| ASTM A48-30 | ||
| Motor: | Cast iron | |
| EN 1561 EN-GJL-250 | ||
| A48 30 | ||
| Veleno sandariklis: | SIC | |
| Secondary shaft seal: | SIC-CARBON | |
| Įrengimas: | ||
| Aplinkos temperatūros intervalas: | 0 .. 40 °C | |
| Jungties tipas: | DIN | |
| Išvado jungties dydis: | DN 125 | |
| Vamzdžio jungties slėgio klasė: | PN 10 |
| Maksimalus panardinimo gylis: | 20 m | |
| Auto coupling: | 96782145 | |
| Elektrotechniniai duomenys: | ||
| Rėmo dydis: | 62 | |
| Naudojama galia P1: | 56 kW | |
| Nominali galia – P2: | 50 kW | |
| Elektros tinklo dažnis: | 50 Hz | |
| Nominali įtampa: | 3 x 400 V | |
| Leistini įtampos svyravimai: | +10/-10 % | |
| Maks. paleidimų skaičius per valandą: | 15 | |
| Nominali srovė: | 102/59 A | |
| Didžiausias srovės suvartojimas: | 102 A | |
| Paleidimo srovė: | 527 A | |
| Nominali srovė be apkrovos: | 47.5 A | |
| Nominalios pavaros apsukos: | 1470 rpm | |
| Variklio našumas esant pilnai apkrovai: | 89 % | |
| Variklio naudingumo koeficientas esant 3/4 apkrovos: | 90 % | |
| Variklio naudingumo koeficientas esant 1/2 apkrovos: | 89 % | |
| Polių skaičius: | 4 | |
| Paleidimo būdas: | Y/D | |
| Korpuso klasė (IEC 34-5): | IP68 | |
| Izoliacijos klasė (IEC 85): | F | |
| Skirtas sprogiai aplinkai: | ne | |
| Ex apsaugos standartas: | N KLIXON | |
| Kabelio tipas: | S1BN8-F | |
| Maitinimo kabelio ilgis: | 10 m | |
| Apvijos varža: | 0.121 Ohm | |
| Cos phi 1/1: | 0.80 | |
| Cos phi 1/2: | 0.63 | |
| Cos phi 3/4: | 0.74 | |
| Kita: | ||
| Neto masė: | 560 kg | |
| Bruto masė: | 674 kg |
Gamintojas: Grundfos













