Aprašymas
Vienpakopis, vienablokis, spiralinės kameros siurblys su vienodų skersmenų įvadu ir išvadu vienoje tiesėje. Siurblys yra iš viršaus nuimamos konstrukcijos, t.y. galvutę (variklį, siurblio galvutę ir darbaratį) galima nuimti techninei priežiūrai arba remontui paliekant siurblio korpusą prijungtą prie vamzdžių. Veleno sandariklis tenkina EN 12756 reikalavimus. Vamzdžiai prijungiami PN 16 DIN flanšais (EN 1092-2 ir ISO 7005-2). Siurblys turi ventiliatoriumi aušinamą nuolatinių magnetų sinchroninį variklį. Variklis pagal IEC 60034-30-2 klasifikuojamas kaip IE5 efektyvumo klasės variklis. Variklis turi kontaktų dėžutėje integruotą dažnio keitiklį ir PI valdiklį. Tai leidžia tolygiai valdyti variklio apsukas ir taip užtikrinti, kad darbo parametrai atitiktų konkrečius poreikius. Siurblyje yra bendras temperatūros ir diferencinio slėgio jutiklis.
Tinkamas
- Šildymas komerciniuose pastatuose
- Oro kondicionavimas komerciniuose pastatuose
- Centralizuotas šildymas
SPECIFIKACIJOS
| Valdikliai: | ||
| Frequency converter: | Built-in | |
| Skystis: | ||
| Siurbiamas skystis: | Vanduo | |
| Skysčio temperatūros diapazonas: | -25 .. 120 °C | |
| Skysčio temperatūra eksploatavimo metu: | 20 °C | |
| Tankis: | 998.2 kg/m³ | |
| Techniniai duomenys: | ||
| Siurblio apsukos, kurioms pateikti siurblio duomenys: | 2758 rpm | |
| Nominalus debitas: | 94.6 m³/h | |
| Nominalus slėgio aukštis: | 22.8 m | |
| Faktinis darbaračio skersmuo: | 153 mm | |
| Pirminis veleno sandariklis: | BQQE | |
| Veleno sandariklio kodas: | BQQE | |
| Kreivės tikslumas: | ISO9906:2012 3B2 | |
| Medžiagos: | ||
| Tipo žymėjimo paaiškinimas, medžiagų kodas: | A | |
| Siurblio korpusas: | Ketus | |
| EN-GJL-250 | ||
| ASTM class 35 | ||
| Darbaratis: | Ketus | |
| EN-GJL-200 | ||
| ASTM class 30 | ||
| Įrengimas: |
| Aplinkos temperatūros intervalas: | -20 .. 50 °C | |
| Maksimalus darbinis slėgis: | 16 bar | |
| Maks. slėgis esant nurodytai temp.: | 16 bar / 120 °C | |
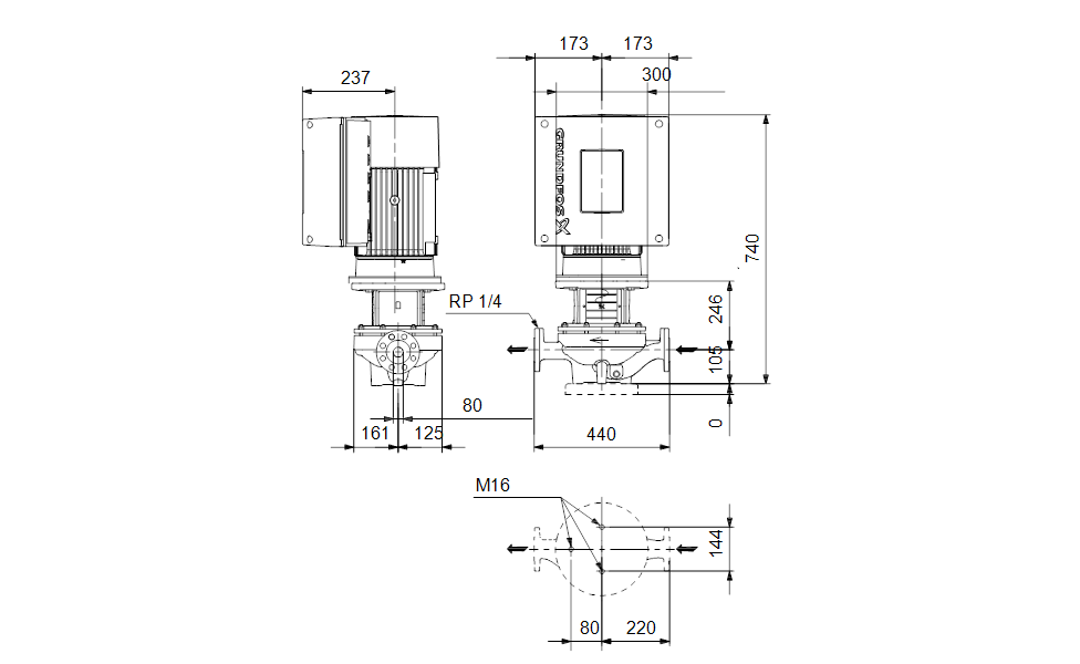
| Vamzdžių pajungimo standartas: | EN 1092-2 | |
| Jungties tipas: | DIN | |
| Jungties dydis: | DN 80 | |
| Vamzdžio jungties slėgio klasė: | PN 16 | |
| Port-to-port length: | 440 mm | |
| Variklio flanšo dydis: | FF265 | |
| Elektrotechniniai duomenys: | ||
| Variklio tipas: | 132SF | |
| Nominali galia – P2: | 7.5 kW | |
| Elektros tinklo dažnis: | 50 / 60 Hz | |
| Nominali įtampa: | 3 x 380-500 V | |
| Nominali srovė: | 14.1-11.2 A | |
| Cos fi – galios koeficientas: | 0.93-0.89 | |
| Nominalios apsukos: | 360-4000 rpm | |
| IE efektyvumo klasė: | IE5 | |
| Variklio našumas esant pilnai apkrovai: | 92.5 % | |
| Polių skaičius: | 0 | |
| Korpuso klasė (IEC 34-5): | IP55 | |
| Izoliacijos klasė (IEC 85): | F | |
| Variklio Nr.: | 93057191 | |
| Kita: | ||
| Minimalaus efektyvumo koeficientas, MEI ≥: | 0.7 | |
| Neto masė: | 90.2 kg | |
| Bruto masė: | 108 kg | |
| Tiekimo tūris: | 0.395 m³ |
Gamintojas: Grundfos














