Aprašymas
LEO vandens siurblys PQ50E serija – automatinis, savaime užsipildantis (savisiurbis) siurblys su periferinio tipo darbo ratu. Siurblys sukurtas efektyviam vandens tiekimui gyvenamosiose patalpose ir lengvosios komercinės paskirties sistemose. Šis kompaktiškas ir išmanus siurblys užtikrina patikimą veikimą ir turi kelias integruotas apsaugos funkcijas.
YPATYBĖS
Apsauga nuo sausos eigos
– Automatiškai išsijungia, kai trūksta vandens
– Automatiškai paleidžiamas iš naujo, kai įvade slėgis yra didesnis nei išjungimo slėgis
Savireguliuojantis valdiklis
– Automatinis pradinio slėgio reguliavimas priklausomai nuo slėgio vamzdyne
– Pradinį (siurblio paleidimo) slėgį galima sureguliuoti 70% nuo vamzdyne esančio slėgio
Apsauga nuo nesandarumo (nutekėjimo)
– Automatiškai sustabdomas, kai siurblys įsijungia daugiau nei 6 kartus per 2 min
Apsauga nuo blokavimo
– Budėjimo režimu automatiškai veikia 10 sekundžių kas 12 valandų
NAUDOJIMO SRITYS
- Vandens, skysčių su panašiomis fizikinėmis ir cheminėmis savybėmis kaip vanduo, tiekimui.
- Vandens slėgio didinimui iš miesto vandentiekio sistemos
- Vandens tiekimui iš šulinių (<8м)
- Vandens tiekimui iš talpų
- Rankiniam laistymui ir automatinėms laistymo sistemoms
- Švaraus vandens tiekimui iš vandens telkinių
TECHNINIŲ SPECIFIKACIJŲ DUOMENYS
Elektrotechniniai
- Naudojama galia [W] 370
- Įtampa [V] 1~220-240 AC
- Maitinimo tinklo dažnis [Hz] 50
- Nominali srovė [A] 2,5
- Kondensatoriaus talpa [μF] 8
- Šiluminė variklio apsauga
- Apvijų izoliacijos klasė F
- Įrenginio apsaugos klasė [IP] IPX4
Hidrauliniai
- Maksimalus našumas [l/h] 1980
- Maksimalus kėlimo aukštis [m] 35
- Maksimalus įsiurbimo aukštis [m] 8
Kiti
- Siurblio korpuso medžiaga: ketus
- Darbo rato medžiaga: žalvaris
- Siurbiamas skystis: vanduo
- Skysčio temperatūros intervalas [°C] 0 / +40
- Maksimali aplinkos temperatūra [°C] +50
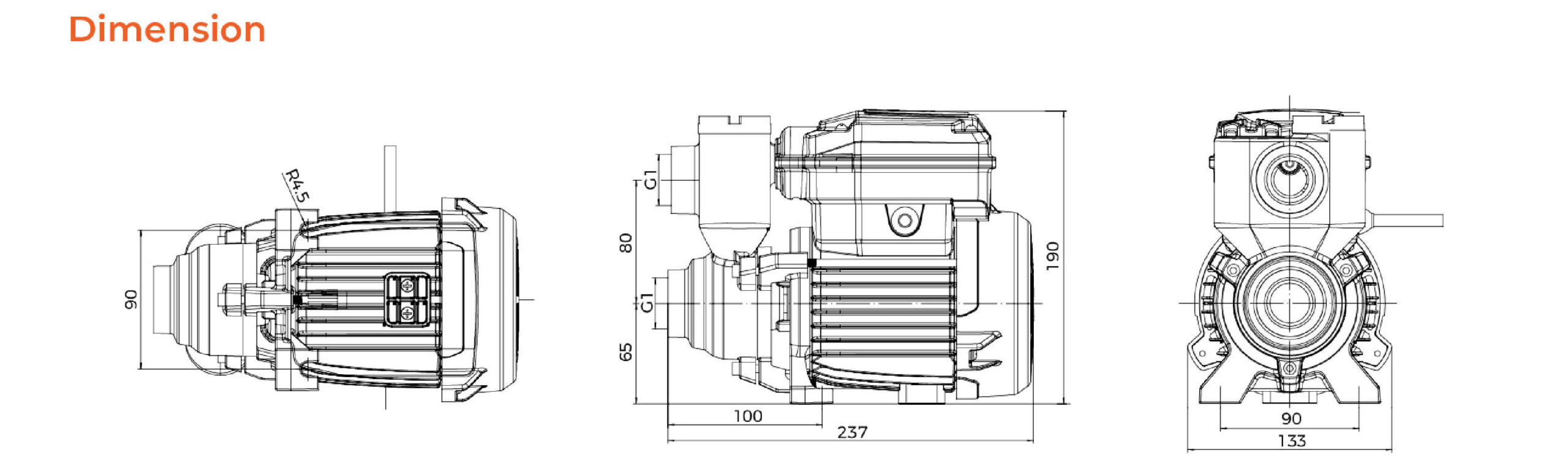
- Įsiurbimo/išmetimo antgaliai: 1″/1″ vidinis sriegis
Gamintojas: LEO PUMP















